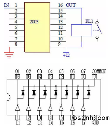
1、晶體管用來驅動繼電器,必須將晶體管的發射極接地。具體電路如下:NPN晶體管 PNP晶體管 NPN晶體管驅動時:當晶體管T1基極被輸入高電平時,晶體管飽和導通,集電極變為低電平,因此繼電器線圈通電,觸點RL1吸合。當晶體管T1基極被輸入低電平時,晶體管截止,繼電器線圈斷電,觸點RL1斷開。PNP晶體管驅動電路目前沒有采用,因此在這里不作介紹。1.2 電路中各元器件的作用:晶體管T1可視為控制開關,一般選取VCBO≈VCEO≥24V,放大倍數β一般選擇在120~240之間。。電阻R1主要起限流作用,降低晶體管T1功耗,阻值為2 KΩ。電阻R2使晶體管T1可靠截止,阻值為5.1KΩ。二極管D1反向續流,抑制浪涌,一般選1N4148即可。 2 集成電路2003驅動繼電器左圖1~7是信號輸入(IN),10~16是輸出信號(OUT),8和9是集成電路電源。右圖是集成塊內部原理圖。

2.1 工作原理簡介
根據集成電路驅動器2003的輸入輸出特性,有人把它簡稱叫“驅動器”“反向器”“放大器”等,現在常用型號為:TD62003AP。當2003輸入端為高電平時,對應的輸出口輸出低電平,繼電器線圈通電,繼電器觸點吸合;當2003輸入端為低電平時,繼電器線圈斷電,繼電器觸點斷開;在2003內部已集成起反向續流作用的二極管,因此可直接用它驅動繼電器。2.2 檢修 判斷2003好壞的方法非常簡單,用萬用表直流檔分別測量其輸入和輸出端電壓,如果輸入端1~7是低電平(0V),輸出端10~16必然是高電平(12V);反之,如果輸入端1~7是高電平(5V),輸出端10~16必然是低電平(0V);否則,驅動器已壞。測試條件:1.待機;2.開機。測試方法:將萬用表調至20V直流檔,負表筆接電控板地線(7812穩壓塊散熱片),正表筆分別輕觸2003各腳。


2.1 工作原理簡介
根據集成電路驅動器2003的輸入輸出特性,有人把它簡稱叫“驅動器”“反向器”“放大器”等,現在常用型號為:TD62003AP。當2003輸入端為高電平時,對應的輸出口輸出低電平,繼電器線圈通電,繼電器觸點吸合;當2003輸入端為低電平時,繼電器線圈斷電,繼電器觸點斷開;在2003內部已集成起反向續流作用的二極管,因此可直接用它驅動繼電器。2.2 檢修 判斷2003好壞的方法非常簡單,用萬用表直流檔分別測量其輸入和輸出端電壓,如果輸入端1~7是低電平(0V),輸出端10~16必然是高電平(12V);反之,如果輸入端1~7是高電平(5V),輸出端10~16必然是低電平(0V);否則,驅動器已壞。測試條件:1.待機;2.開機。測試方法:將萬用表調至20V直流檔,負表筆接電控板地線(7812穩壓塊散熱片),正表筆分別輕觸2003各腳。

















手機圖頁網



