- 精 度:
- 0.2% ,0.5%
- 隔 離:
- 信號/輔助電源
- 絕緣電阻:
- ≥20M?
● 精度、線性度誤差等級: 0.5級(相對溫度)
● 交流互感器匹配:0-1Vrms交流信號(50~60HZ)
● 輔助電源:5V、12V、15V或24V直流單電源供電
● 國際標準信號輸出:0-10mA /4-20mA/0-5V/0-10V等
● 低成本、超小體積,使用方便,可靠性高
● 標準SIP 12 Pin符合UL94V-0阻燃封裝
● 一進二出、二進二出多路標準DIN35導軌安裝方式
● 工業級溫度范圍: - 20 ~ + 70 ℃
典型應用
● 交流信號的采集及變換
● 電力輸配電高精度監測
● 交流小信號放大及轉換
● 傳感器交流信號轉換成標準直流信號
● 信號遠程無失真傳輸
● IC封裝的產品可通過匹配外接交流互感器組成單相或多相全隔離變送器
(信號輸入/輸出與輔助電源3KV 三隔離)
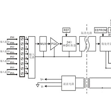
SunYuan SY系列交流轉直流(AC/DC)信號低成本兩隔離變送器,是一種將交流信號采集轉換成線性對應直流信號的混合集成電路。該電路在同一芯片上集成了一組多路高隔離的DC/DC電源和一組AC/DC信號轉換電路。可以將傳感器(交流互感器)采集到的0-1Vrms(50~60HZ)工頻信號按比例轉換成4-20mA/0-10mA /0-20mA直流電流信號或0-1V/0-2.5V/0-5V/0-10V直流電壓信號。IC封裝的產品可通過匹配外接交流互感器組成單相或多相全隔離變送器,實現信號輸入、輸出信號與輔助電源之間的3KV三隔離。
產品在發電機或電動機安全運行監測、電力輸配電遠程監控、儀器儀表與傳感器信號收發、醫療設備安全隔離柵、工業自動化控制等領域廣泛應用。
● 交流互感器匹配:0-1Vrms交流信號(50~60HZ)
● 輔助電源:5V、12V、15V或24V直流單電源供電
● 國際標準信號輸出:0-10mA /4-20mA/0-5V/0-10V等
● 低成本、超小體積,使用方便,可靠性高
● 標準SIP 12 Pin符合UL94V-0阻燃封裝
● 一進二出、二進二出多路標準DIN35導軌安裝方式
● 工業級溫度范圍: - 20 ~ + 70 ℃
典型應用
● 交流信號的采集及變換
● 電力輸配電高精度監測
● 交流小信號放大及轉換
● 傳感器交流信號轉換成標準直流信號
● 信號遠程無失真傳輸
● IC封裝的產品可通過匹配外接交流互感器組成單相或多相全隔離變送器
(信號輸入/輸出與輔助電源3KV 三隔離)
SunYuan SY系列交流轉直流(AC/DC)信號低成本兩隔離變送器,是一種將交流信號采集轉換成線性對應直流信號的混合集成電路。該電路在同一芯片上集成了一組多路高隔離的DC/DC電源和一組AC/DC信號轉換電路。可以將傳感器(交流互感器)采集到的0-1Vrms(50~60HZ)工頻信號按比例轉換成4-20mA/0-10mA /0-20mA直流電流信號或0-1V/0-2.5V/0-5V/0-10V直流電壓信號。IC封裝的產品可通過匹配外接交流互感器組成單相或多相全隔離變送器,實現信號輸入、輸出信號與輔助電源之間的3KV三隔離。
產品在發電機或電動機安全運行監測、電力輸配電遠程監控、儀器儀表與傳感器信號收發、醫療設備安全隔離柵、工業自動化控制等領域廣泛應用。
詳細技術資料:http://www.sun-yuan.com/download/html/DownDetail_135.html
產品選型舉例
例1, 輸入:0-1Vrms; 輔助電源:24VDC; 輸出:4-20mA; 產品型號:DIN 1X1 SY-AC-P1-O1
例2, 輸入:0-1Vrms; 輔助電源:24VDC; 輸出:0-5V; 產品型號:DIN 1X1 SY-AC-P1-O4
例3, 輸入:0-1Vrms; 輔助電源:12VDC; 輸出:4-20mA; 產品型號:SY AC-P2-O1
例4, 輸入:0-1Vrms; 輔助電源:5VDC; 輸出:0-10V; 產品型號:SY AC-P3-O5
產品選型舉例
例1, 輸入:0-1Vrms; 輔助電源:24VDC; 輸出:4-20mA; 產品型號:DIN 1X1 SY-AC-P1-O1
例2, 輸入:0-1Vrms; 輔助電源:24VDC; 輸出:0-5V; 產品型號:DIN 1X1 SY-AC-P1-O4
例3, 輸入:0-1Vrms; 輔助電源:12VDC; 輸出:4-20mA; 產品型號:SY AC-P2-O1
例4, 輸入:0-1Vrms; 輔助電源:5VDC; 輸出:0-10V; 產品型號:SY AC-P3-O5
外形尺寸及引腳描述

IC封裝產品典型應用接線圖

多路導軌式DIN 1X2 / 2X2 產品典型應用
SunYuan I型標準DIN35導軌安裝多通道兩隔離AC/DC轉換器,內部裝有多個SY AC-P-O系列集成模塊,可實現一進一出(DIN1X1)、一進二出(DIN1X2)、二進二出(DIN2X2)等多路交流電壓轉直流電壓或電流的模擬信號轉換功能。內部增加防浪涌抑制保護電路,產品使用更加方便、安全可靠。
(備注:產品出廠前已校驗校正,用戶可以直接使用。如還需現場校準,可通過調節產品側面電位器調節頭進行校準)
































第2年
通過認證 







有源信號與電流環路接口帶電信號調
寬電壓輸入隔離穩壓輸出模塊電源:W
常用模擬量隔離放大器IC簡介.
深圳市順源科技熱電偶信號數據采集
面板嵌入式模擬量隔離放大、轉換變
DIN3 ISO 4-20mA-O3.3
防干擾輸入通道隔離型數據采集器
順源科技電力醫療儀器儀表行業專用1
順源科技兩線制4-20mA差分信號采集
手機圖頁網



