主要參數:
-
針對擴散硅、陶瓷壓阻傳感器和2088外殼設計
-
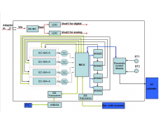
板卡工作電壓:12Vdc~45Vdc
-
綜合精度:0.1%
-
4mA~20mA輸出,疊加HART數字通信
-
工作溫度:-40℃~+80℃
-
內置完善的抗干擾,防雷擊等多級保護電路,確保現場的高可靠性
-
綠色背光LCD顯示器,可以360度旋轉
-
調零快捷鍵設計,方便現場調零
-
模塊化設計,保證產品的高可靠性和一致性,以及長期穩定性






























第5年
通過認證 





上海芯越廠價供應3051HART智能溫度
上海芯越廠價供應2088HART智能溫度
上海芯越廠價供應超小巧型壓力模擬
上海芯越廠價供應3051HART智能T型壓
手機圖頁網



